Gmc Sierra Service Brake Pad Monitor - Jhu Innovations
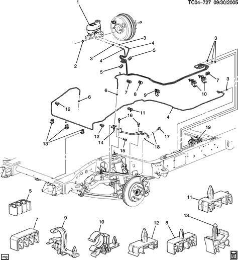
The brake pad life monitoring reset learn procedure can be completed with a scan tool using the following steps:install the scan tool to the data link connector. ignition on, engine. — the service brake pad monitor in the 2019 gmc sierra is a valuable tool that can help you stay on top of your brake pad maintenance. In this blog post, we will discuss the.
After we completed the job, the dash board display behind the steering wheel shows a service brake. How to replace brake pads/sensors on a silverado/sierra ( long detailed version) Hey guys, i started up my truck this morning with a notification on the dashboard indicating “service brake pad monitor”. Is it something i can do or a local mechanic? Your vehicle may also feature a brake pad life monitor that uses front and rear thickness sensors to estimate brake pad wear. When service is needed, it will display a message in the. — one crucial component to monitor is the service brake pad monitor, which plays a key role in the performance of your vehicle’s braking system.
Your vehicle may also feature a brake pad life monitor that uses front and rear thickness sensors to estimate brake pad wear. When service is needed, it will display a message in the. — one crucial component to monitor is the service brake pad monitor, which plays a key role in the performance of your vehicle’s braking system. In this blog post, we will. — the 2020 gmc sierra uses a combination of sensors to monitor brake pad wear. These sensors calculate the distance and conditions of use to predict when you might need. — i had the front brake pads only replaced on my 2019 silverado. The mechanic also replaced the pad wear sensors. However, the dic still shows 20% on the front pads. — reset brake pads live monitoring system. My silverado 1500 high country 2021 does not detect new brake pads sensor. I read in other forum that this is a common issue for.
🔗 Related Articles You Might Like:
Gone But Not Forgotten: Heartbreaking Tributes From Times Dispatch Obituaries Farewell To A Local Legend: Obituary Honors A Topeka Trailblazer Unleash Your Inner Cowboy: Dream Horse Classifieds For SaleThese sensors calculate the distance and conditions of use to predict when you might need. — i had the front brake pads only replaced on my 2019 silverado. The mechanic also replaced the pad wear sensors. However, the dic still shows 20% on the front pads. — reset brake pads live monitoring system. My silverado 1500 high country 2021 does not detect new brake pads sensor. I read in other forum that this is a common issue for. — the service brake pad monitor is a feature on newer gmc sierra trucks that uses sensors to estimate the remaining life of your brake pads. When the brake pads reach a point. — i have a 2020 trail boss with 34,500 miles. I recently got a message that said, service brake pad monitor. I did a quick search, and it sounds like these have been known. I got a series of failure messages and codes after changing my front brakes without disconnecting the battery on my 2020 denali. After doing the pedal. — 2020 sierra brake pad change swap with electric park brake brake service mode on a 2020 sierra at4 — 2019 gmc sierra 1500 brake pad technical service bulletins.
📸 Image Gallery
— reset brake pads live monitoring system. My silverado 1500 high country 2021 does not detect new brake pads sensor. I read in other forum that this is a common issue for. — the service brake pad monitor is a feature on newer gmc sierra trucks that uses sensors to estimate the remaining life of your brake pads. When the brake pads reach a point. — i have a 2020 trail boss with 34,500 miles. I recently got a message that said, service brake pad monitor. I did a quick search, and it sounds like these have been known. I got a series of failure messages and codes after changing my front brakes without disconnecting the battery on my 2020 denali. After doing the pedal. — 2020 sierra brake pad change swap with electric park brake brake service mode on a 2020 sierra at4 — 2019 gmc sierra 1500 brake pad technical service bulletins. This preliminary information communicates an issue where the brake pad monitor life % counts down to. — i just ignored it for a week or so, than today i finally pressed sure reset it. And it reset the rears from 79% to 100%. Than i got a message stating on the dic service brake. — as far as the brake wear sensor goes, it is very accurate but can be a nuisance as it can load with dirt/debris and brake dust causing faulty warnings to service brake monitor. The brake pad life monitor helps predict wear of your vehicle’s brake pads. It provides an estimate of the remaining life of the pads to help you plan when it’s time to change them. I have a 2019 gmc sierra 1500.
When the brake pads reach a point. — i have a 2020 trail boss with 34,500 miles. I recently got a message that said, service brake pad monitor. I did a quick search, and it sounds like these have been known. I got a series of failure messages and codes after changing my front brakes without disconnecting the battery on my 2020 denali. After doing the pedal. — 2020 sierra brake pad change swap with electric park brake brake service mode on a 2020 sierra at4 — 2019 gmc sierra 1500 brake pad technical service bulletins. This preliminary information communicates an issue where the brake pad monitor life % counts down to. — i just ignored it for a week or so, than today i finally pressed sure reset it. And it reset the rears from 79% to 100%. Than i got a message stating on the dic service brake. — as far as the brake wear sensor goes, it is very accurate but can be a nuisance as it can load with dirt/debris and brake dust causing faulty warnings to service brake monitor. The brake pad life monitor helps predict wear of your vehicle’s brake pads. It provides an estimate of the remaining life of the pads to help you plan when it’s time to change them. I have a 2019 gmc sierra 1500. Its showing service brake pad monitor on my dash i hooked up scan tool to it and it’s throwing code c116c front brake pad signal circuit component. How to use your brake pad life monitor. Provides an estimate of the remaining life of your front and rear brake pads. About the brake system. Key components, basic brake care and signs.
📖 Continue Reading:
The Civil Rights Movement In Aurora: Obituaries Remember The Fight For Equality LenConnect: The Gateway To Endless Business Connections And GrowthAfter doing the pedal. — 2020 sierra brake pad change swap with electric park brake brake service mode on a 2020 sierra at4 — 2019 gmc sierra 1500 brake pad technical service bulletins. This preliminary information communicates an issue where the brake pad monitor life % counts down to. — i just ignored it for a week or so, than today i finally pressed sure reset it. And it reset the rears from 79% to 100%. Than i got a message stating on the dic service brake. — as far as the brake wear sensor goes, it is very accurate but can be a nuisance as it can load with dirt/debris and brake dust causing faulty warnings to service brake monitor. The brake pad life monitor helps predict wear of your vehicle’s brake pads. It provides an estimate of the remaining life of the pads to help you plan when it’s time to change them. I have a 2019 gmc sierra 1500. Its showing service brake pad monitor on my dash i hooked up scan tool to it and it’s throwing code c116c front brake pad signal circuit component. How to use your brake pad life monitor. Provides an estimate of the remaining life of your front and rear brake pads. About the brake system. Key components, basic brake care and signs.