Gambar Starter Mobil

by

Diablo

Gambar Starter Mobil

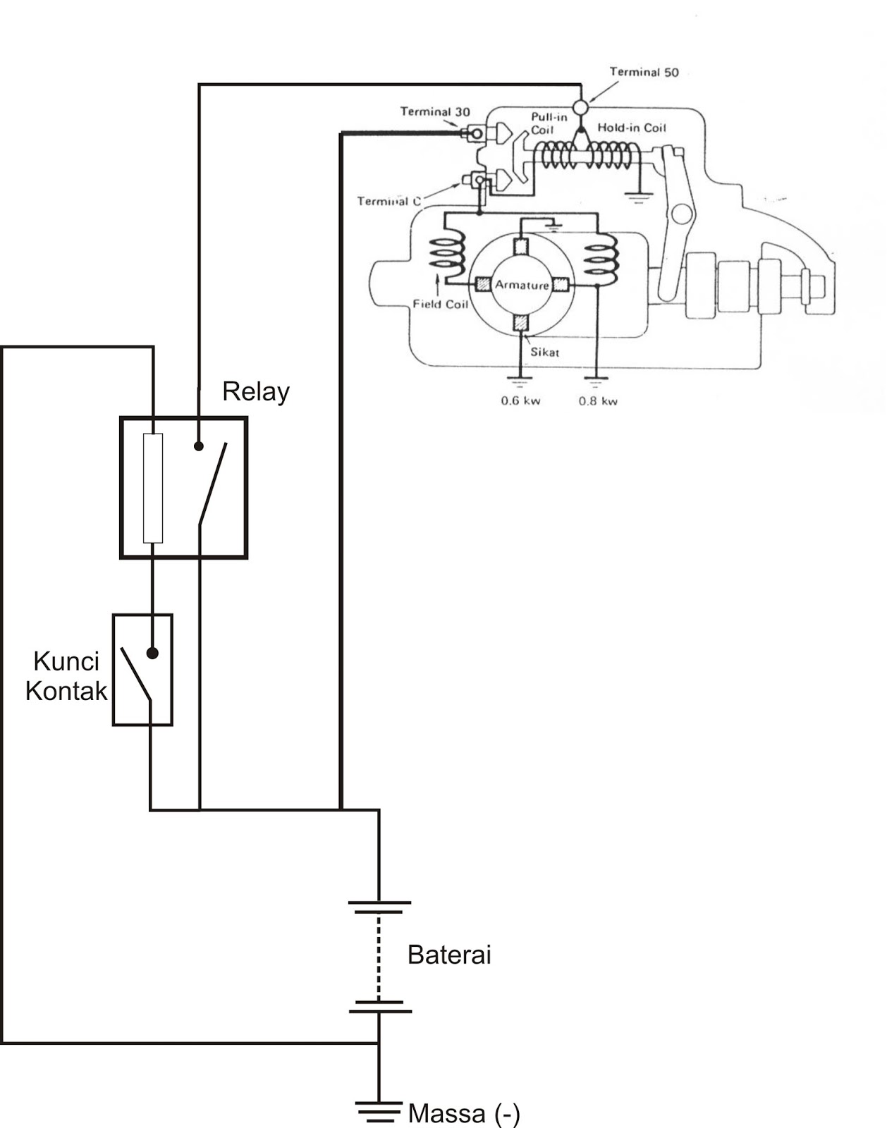
Berdasarkan informasi yang dihimpun dari buku reparasi dan overhaul kelistrikan mesin mobil oleh drs. Daryanto, komponen dinamo starter mobil antara lain. Dinamo starter atau lebih dikenal sebagai motor starter pada kendaraan mobil ini memiliki fungsi untuk memutar mesin kendaraan untuk pertama kali. Dikutip dari laman resmi suzuki indonesia, dinamo starter atau lebih dikenal sebagai motor starter pada kendaraan mobil ini memiliki fungsi untuk memutar mesin kendaraan untuk. Dibutuhkan dinamo starter sebagai salah. Rangkaian sistem starter mobil merupakan rangkaian yang dibuat oleh pabrikan mobil untuk memudahkan pengguna mobil ketika hendak menyalakan mesin. Bagi pemilik kendaraan baik mobil atau motor pasti sudah tidak asing dengan istilah starter. Istilah ini biasanya digunakan untuk menyebut proses menghidupkan mesin sebelum. Pahami cara kerja dan komponen penting dalam sistem starter mobil. Artikel ini mengungkap fungsi krusialnya dalam penghidupan mesin kendaraan Komponen sistem starter mobil merupakan sistem yang memudahkan pengguna mobil untuk menyalakan mesin kendaraan. Sistem ini menjadi salah satu komponen penting yang menjadi. Pada dasarnya, mobil berpaku kuat pada seluruh rangkaian komponen mesin yang digunakan. Yang mengawali semua proses tersebut adalah sistem starter mobil. Dengan semakin berkembangnya teknologi pada kendaraan, maka macam dari cara pengoperasiannya akan semakin mudah. Bagian dinamo starter mobil yang rusak sebetulnya sangat mudah untuk dideteksi, karena ada berbagai tanda atau ciri ciri yang menjadi indikasi yang akurat. Lihat bagian soket otomatis. Untuk mengecek kondisi dinamo starter, anda bisa melihat atau memeriksa soket otomatis. Langkah ini bisa dilakukan jika anda kesulitan untuk. Dinamo starter atau lebih dikenal dengan nama motor starter menjadi salah satu komponen penting yang ada di mobil. Pada artikel ini kami akan. Sistem starter adalah rangkaian kelistrikan yang berfungsi untuk. Menstarter mobil untuk pertama kalinya bisa menjadi sebuah tantangan, khususnya jika anda baru pertama kali belajar mengemudikan mobil. Dinamo starter atau motor stater merubah energi listrik menjadi energi gerak untuk memutar crankshaft mesin atau poros mesin melalui fly wheel atau roda gila. Cara kerja sistem starter mobil melibatkan sebagian komponen kelistrikan dalam mesinnya. Rawatlah sistem kelistrikan dan starter mobil anda secara berkala dengan membawanya ke.

Cara Kerja Sistem Stater Dan Motor Stater Pada Mobil Dengan Current

Related Post