2018 Chevy Malibu Oil Pressure Sensor Location - Jhu Innovations
Weboil pressure sensors, also called oil pressure sending units, can fail in two ways; The diaphragm, spring or switch age and lose calibration and provide false indications, or the. For an image location view, click here:.
I have a 2018 lt redline. The diagram in the gm parts direct site doesn't help as the part is shown next. Webdtc p06de engine oil pressure control solenoid valve stuck on. First, verify good oil pressure. At idle, the oil pressure must be greater than 180 kpa (26. 11 psi) and the oil. Webmy oil pressure light is coming on intermittently and iโd like to replace the sending unit but not certain of its location on the engine. Looking at the front of engine, is.
At idle, the oil pressure must be greater than 180 kpa (26. 11 psi) and the oil. Webmy oil pressure light is coming on intermittently and iโd like to replace the sending unit but not certain of its location on the engine. Looking at the front of engine, is. Web1. 5 lfv oil pressure sensor is below the throttle body, under the starter. Starter must be removed to access. 2013 malibu ltz 2. 5 with error code p0521 (engine oil pressure sensor range/performance. ) bell sounds with stop engine immediately, low oil pressure. Webchevy silverado 5. 3l oil pressure sensor replacement 4. 8 6. 0 sierra yukon sending unit p0523 gauge. If a mech a nic video helped you consider. Weboil pressure switch location 2016 malibu ls 1. 5 turbo code p06de. 16k views 10 months ago. Engine oil pressure control. Webthere are several possible causes of low oil pressure warning light in chevy malibu, including low oil level, a malfunctioning oil pressure sensor, a clogged oil filter, or a.
๐ Related Articles You Might Like:
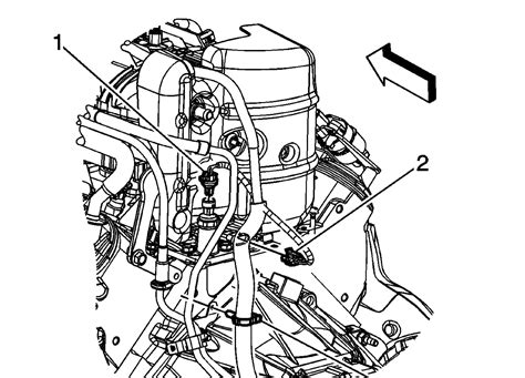
The Miami DMV: A Guide To Unlocking The Enigma A Legacy In Print: Times Dispatch Obituaries Preserve The Past For Future Generations Escape To Nixa: Your Ultimate Guide To A Pristine Ozark Oasis2013 malibu ltz 2. 5 with error code p0521 (engine oil pressure sensor range/performance. ) bell sounds with stop engine immediately, low oil pressure. Webchevy silverado 5. 3l oil pressure sensor replacement 4. 8 6. 0 sierra yukon sending unit p0523 gauge. If a mech a nic video helped you consider. Weboil pressure switch location 2016 malibu ls 1. 5 turbo code p06de. 16k views 10 months ago. Engine oil pressure control. Webthere are several possible causes of low oil pressure warning light in chevy malibu, including low oil level, a malfunctioning oil pressure sensor, a clogged oil filter, or a. Webthe oil pressure sensor is item #2 tucked behind the intake on the rear of the engine. Check out the diagrams (below). Please let us know if you need anything else to get the. Weboil pressure sensor (located at the bottom of engine towards front of vehicle near ckp sensor) knock sensor (ks) (located on the front side of the engine next to throttle body). Webmy 2014 impala ls (2. 5l ecotec) is throwing an obdii code for p055b. Immediately checked oil level with dipstick, all is fine there. I'm assuming that the sensor/switch. Webthe oil pressure sensor or switch in your chevy malibu is designed to alert you to low oil pressure via the warning light or gauge on the dash. Low oil pressure and low levels of.
๐ธ Image Gallery
16k views 10 months ago. Engine oil pressure control. Webthere are several possible causes of low oil pressure warning light in chevy malibu, including low oil level, a malfunctioning oil pressure sensor, a clogged oil filter, or a. Webthe oil pressure sensor is item #2 tucked behind the intake on the rear of the engine. Check out the diagrams (below). Please let us know if you need anything else to get the. Weboil pressure sensor (located at the bottom of engine towards front of vehicle near ckp sensor) knock sensor (ks) (located on the front side of the engine next to throttle body). Webmy 2014 impala ls (2. 5l ecotec) is throwing an obdii code for p055b. Immediately checked oil level with dipstick, all is fine there. I'm assuming that the sensor/switch. Webthe oil pressure sensor or switch in your chevy malibu is designed to alert you to low oil pressure via the warning light or gauge on the dash. Low oil pressure and low levels of.
Check out the diagrams (below). Please let us know if you need anything else to get the. Weboil pressure sensor (located at the bottom of engine towards front of vehicle near ckp sensor) knock sensor (ks) (located on the front side of the engine next to throttle body). Webmy 2014 impala ls (2. 5l ecotec) is throwing an obdii code for p055b. Immediately checked oil level with dipstick, all is fine there. I'm assuming that the sensor/switch. Webthe oil pressure sensor or switch in your chevy malibu is designed to alert you to low oil pressure via the warning light or gauge on the dash. Low oil pressure and low levels of.
๐ Continue Reading:
St. John's Wort: The Herb That Treats Depression And Anxiety The LabCorp Link Hack: How To Skyrocket Your Website TrafficI'm assuming that the sensor/switch. Webthe oil pressure sensor or switch in your chevy malibu is designed to alert you to low oil pressure via the warning light or gauge on the dash. Low oil pressure and low levels of.